超高真空全金属可变泄漏阀可以精确控制极小的气流(1 × 10-10 mbar ls-1 至 500 mbar ls-1)。该系列阀门采用全金属设计,是满足超高真空和极端超高真空工艺中气体计量要求的理想选择。
该系列阀门的特殊控制功能确保可重复的精确气流设置,增强了过程控制能力。其还能在整个使用寿命内提供可靠的密封关闭,不会出现任何密封疲劳风险。
采用全金属设计(高级不锈钢阀体和镀金不锈钢薄膜闸封),因此具有出色的抗腐蚀性和抗腐蚀性气体特性。
此款阀门已经安装在数百个各种工艺条件下的要求苛刻的应用中,证明了其卓越的可靠性。其已成为超高真空和极高真空应用中可变泄漏阀的标准解决方案。
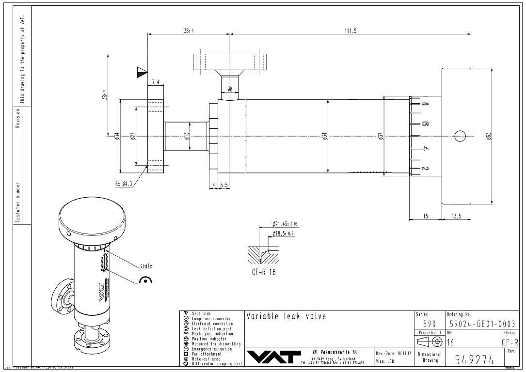
超高真空全金属可变泄漏阀提供 DN为16 mm (5/8") 的角阀或内联阀,带手动驱动器,或带配有步进电机的集成式或可拆卸压力控制器。最高可烘烤至300℃。根据烘烤过程中的情况,可以在烘烤过程中取下驱动器。标准法兰为 CF-R,固定到位。
隔膜采用“硬对硬”密封技术,阀门在整个使用寿命内可进行 40 万次控制循环和 1 万次密封关闭循环,无需任何维护,其可作为零部件使用,并且易于更换。
适用于最小气流的高精度气体计量
精确可重复的气流设置
可靠的持续密封
耐腐蚀和腐蚀性气体
技术参数
尺寸:DN 16 (⅝")
驱动器:手动
阀体材料:不锈钢
标准法兰:CF-R
密封技术:隔膜
阀体/阀座泄漏率:< 1 × 10-10 mbar ls-1
压力范围:超高真空至 2bar(绝对压强)
打开时压差:≤ 10 bar
首次维护前开关次数:20000
阀体烘烤温度:≤ 300 °C
加热和冷却速率:≤ 60 °C h-1
安装位置:任何位置
流导(分子流):0.05 ls-1
在极小气流下可实现最佳压力控制
工艺可控性增强
正常运行时间长

